Trabajo Práctico No. 2
Identificación
del Sistema Masas-Resortes-Amortiguador
- Objetivos
- Que el alumno adquiera experiencia en los distintos aspectos involucrados en el
diseño de experimentos de identificación sobre un sistema real.
- Que el alumno se familiarice con el funcionamiento del equipo de experimentación
Masas-Resortes-Amortiguador del Laboratorio de Control.
- Que el alumno se familiarice con la problemática de identificación de parámetros
físicos de un sistema real.
- Que el alumno utilice técnicas de identificación con enfoque de error de predicción,
de subespacio, de bases ortonormales y de análisis de la respuesta transitoria para la
estimación de modelos lineales tipo caja negra, caja gris y caja blanca, de un sistema
físico real (sistema Masas-Resortes-Amortiguador).
- Desarrollo
En este Trabajo Práctico se propone la identificación de los parámetros físicos, y de
modelos lineales caja negra del Equipo Masas-Resortes-Amortiguador del Laboratorio
de Control que se representa en la Figura 1.

Figura 1: Sistema Masas-Resortes-Amortiguador.
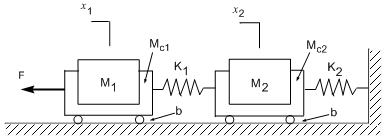
Se considerará la disposición del equipo representada en la Figura 2.

Figura 2:
Configuración del Sistema Masas-Resortes-Amortiguador.
Se asume que las masas de las pesas son conocidas y con valores
M1 = M2 = 2 Kg.
- Resultados:
- Se deberán diseñar y realizar experimentos de identificación basados en el análisis
de la respuesta transitoria, que posibiliten la estimación de los parámetros del sistema:
K1 y K2 (constantes de los resortes), Mc1 y Mc2
(masas de los carritos), b (coeficiente de rozamiento viscoso), y KM
(constante de conversión tensión-fuerza del motor).
- Se deberán diseñar y realizar experimentos de identificación con el enfoque de error de
predicción y estructura caja gris que posibiliten la estimación de los parámetros
mencionados en el item anterior.
- Se deberá realizar la identificación de modelos lineales tipo caja negra,
usando los siguientes métodos de identificación: subespacio, estima de mínimos
cuadrados con modelo ARX y bases ortonormales.
- Se deberá realizar un informe de los resultados obtenidos, incluyendo
- la descripción de los experimentos realizados
- el desarrollo teórico donde se detalla cómo los parámetros pueden ser estimados
- las gráficas de los datos medidos sobre el sistema real
- los modelos estimados con los distintos métodos
- una comparación de los distintos modelos estimados para distintos conjuntos de
datos de validación
- toda información que considere relevante.
Volver a ISIS